Upgrade to Pro — share decks privately, control downloads, hide ads and more …

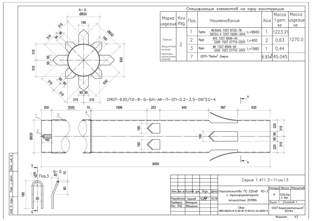
Противопучинные мероприятия сваи СМОТ-630 фунда...

Avatar for Oleg Oleg
December 01, 2018

Противопучинные мероприятия сваи СМОТ-630 фундамент

Противопучинная оболочка, противопучинная оболочка ОСПТ «Reline», противопучинные мероприятия, свайные фундаменты, устройство свайных фундаментов, свая СМОТ, Серия 1.411.3-11см.13, СТО 36554501-054-2017, противопучинные технологии, касательные силы морозного пучения, морозное пучение, деятельный слой

Avatar for Oleg

Oleg

December 01, 2018
Tweet

More Decks by Oleg

Other Decks in Technology

Transcript