Upgrade to Pro — share decks privately, control downloads, hide ads and more …

JCB_535-60_FS_Telescopic_Handlers__Loadall__Par...

Avatar for dcrfqdcnvk dcrfqdcnvk
May 22, 2024
9

 JCB_535-60_FS_Telescopic_Handlers__Loadall__Parts_Catalogue_Manual__Serial_Number_01232500-01232999_.pdf

Avatar for dcrfqdcnvk

dcrfqdcnvk

May 22, 2024
Tweet

More Decks by dcrfqdcnvk

Transcript

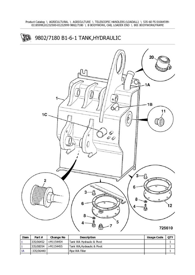
  1. Product Catalog \ AGRICULTURAL \ AGRICULTURE \ TELESCOPIC HANDLERS (LOADALL)

    \ 535-60 FS 01064599- 01185999,01232500-01232999 9802/7180 \ B BODYWORK, CAB, LOADER END \ B01 BODYWORK/FRAME 9802/7180 B1-6-1 TANK,HYDRAULIC Item Part # Change No Description Usage Code QTY 1 335/06452 <M1154454 Tank WA Hydraulic & Pivot 1 1 335/08354 >M1154455 Tank WA,Hydeaulic & Pivot 1 1A :335/06440 Pipe WA Filler 1
  2. 1B :666/40037 Pipe 1" Return 1 1C :335/06438 Pipe WA

    Suction 1 2 32/908100 Strainer suction 1 3 826/01767 Nut rivet M6 closed end for 12mm plate 16 4 1315/0207Z Screw M6x25 16 5 161/00271 Superseded Plate hydraulic tank w/a 1 5 335/06105 Plate WA Cover 1 6 813/00360 Gasket 8 Hole 2 7 816/90465 Plug Drain 1 8 1420/0006Z Washer (M6) 16 11 32/925278 Plug Sight Gauge 1 11 123/08053 Gauge Sight 50mm complete with o ring 1 11a :25/700013 O Ring 1 20 32/925421 Cap filler/breather Lockable 1
  3. Product Catalog \ AGRICULTURAL \ AGRICULTURE \ TELESCOPIC HANDLERS (LOADALL)

    \ 535-60 FS 01064599- 01185999,01232500-01232999 9802/7180 \ B BODYWORK, CAB, LOADER END \ B01 BODYWORK/FRAME 9802/7180 B1-7-1 TANK,DIESEL FUEL & MOUNTING STEP Item Part # Change No Description Usage Code QTY 1 160/13724 Tank diesel assy filterless sender 1 2 :162/03552 Tank Fuel Moulding 1 3A 704/50125 Sender Fuel, Tier One AK & AR Build 1
  4. 3B 704/50126 Sender Fuel RJ ENGINE 1 4 :331/33883 Plate

    mounting, fuel sender 1 5 :813/00375 Gasket 1 6 :813/00302 Seal 6 7 :1360/0204Z Screw 6 8 :1315/0203Z Setscrew 6 9 :1420/0006Z Washer (M6) 6 10 :162/01282 Insert Sender Mounting 1 11 :823/00482 Washer sealing A 1 12 :816/80055 <23/11/03 Plug drain A 1 12 :816/90014 <01/08/04 Plug 1/4"BSP A 1 12 :816/90702 >01/08/04 Plug 1/2"UNF with O-Ring B 1 13 160/12669 Strap Tank Assy BLACK 2 14 1425/0009Z Washer Spring M12 8 15 1420/0009Z Washer (M12) 6 16 1370/0403Z Nut Lock, M12 4 17 1315/3519Z Bolt M12x90mm 4 18 1315/0505Z Bolt M12x20 4 19 123/04686 Catch vandal cover 1 20 823/00571 Washer nylon 4 21 1411/0005Z Washer (1/2" Medium) 4 22 1315/0509Z Setscrew M12 x 35mm 4 23 335/05308 Superseded Cover wa agglomerator 1 23 331/35947 Cover Agglomerator 1 24 826/01487 Socket Screw M8 x 25mm 1 24 823/00529 Washer USE WITH 826/01487 1 25 1420/0006Z Washer (M6) 6 26 2201/0016 Clip Worm Drive 91-114mm 1 27 335/05280 Superseded Frame Step & Battery Cover 1 27 M.S.S. Multi Supersession 1 27 335/05701 Frame Step & Battery Cover 1 27 331/35947 Cover Agglomerator 1 27 826/01487 Socket Screw M8 x 25mm 1 27 823/00529 Washer 1 27A 331/27034 Step STAINLESS STEEL 1 28 834/10631 Hose diesel filler 1 28A 122/98439 Strainer Diesel Filler 1 29 2201/0015 Clip Worm Drive 78-102mm 1 30 331/31350 Filler fuel neck, moulding 1 31 331/11403 Cap filler, vented diesel Lockable (EXCLUDES Keys) B 1 31A 701/45501 Key Door/Ignition B 1 32 1315/0203Z Setscrew 4 33 826/01384 Nut 'U' M8x0.8mm-4.0mm 4 34 162/02789 Mat Rubber Underside cab mounts 3 35 1370/0203Z Nut Nut M8 1 36 926/04804 Seal edge 49 1
  5. Product Catalog \ AGRICULTURAL \ AGRICULTURE \ TELESCOPIC HANDLERS (LOADALL)

    \ 535-60 FS 01064599- 01185999,01232500-01232999 9802/7180 \ B BODYWORK, CAB, LOADER END \ B01 BODYWORK/FRAME 9802/7180 B1-7-2 TANK,DIESEL FUEL & MOUNTING STEP (AGRICULTURE) Item Part # Change No Description Usage Code QTY 1 160/13724 Tank diesel assy filterless sender 1
  6. https://www.aservicemanualpdf.com/ My Dear Friend! Thank you very much for visiting.

    Full manual if required, please enter the following URL into your browser. https://www.aservicemanualpdf.com/
  7. 2 :162/03552 Tank Fuel Moulding 1 3A 704/50125 Sender Fuel,

    Tier One AK & AR Build 1 3B 704/50126 Sender Fuel 1 4 :331/33883 Plate mounting, fuel sender 1 5 :813/00375 Gasket 1 6 :813/00302 Seal 6 7 :1360/0204Z Screw 6 8 :1315/0203Z Setscrew 6 9 :1420/0006Z Washer (M6) 6 10 :162/01282 Insert Sender Mounting 1 11 :823/00482 Washer sealing 1 12 816/90702 Plug 1/2"UNF with O-Ring 1 13 160/12669 Strap Tank Assy BLACK 2 14 1425/0009Z Washer Spring M12 8 15 1420/0009Z Washer (M12) 6 16 1370/0403Z Nut Lock, M12 4 17 1315/3519Z Bolt M12x90mm 4 26 2201/0016 Clip Worm Drive 91-114mm 1 28 834/10631 Hose diesel filler 1 28A 122/98439 Strainer Diesel Filler 1 29 2201/0015 Clip Worm Drive 78-102mm 1 30 331/31350 Filler fuel neck, moulding 1 31 331/11403 Cap filler, vented diesel Lockable (EXCLUDES Keys) 1 31A 701/45501 Key Door/Ignition 1 32 1315/0203Z Setscrew 4 33 826/01384 Nut 'U' M8x0.8mm-4.0mm 4 34 162/02789 Mat Rubber Underside cab mounts 3 36 926/04804 Seal edge 49 1 40 335/08406 Step WA Frame, Cab 1 41 335/08407 Door WA,Battery Cover 1 42 826/11024 Lock Barrel 1 43 123/04791 Washer Nylon (M8) 4 44 1315/0309Z Setscrew M8 x 35 8 45 1315/3218Z Bolt (M6 x 80) 2 46 1370/0103Z Nut Self Lock M6 2 47 1370/0203Z Nut Nut M8 8 48 1420/0006Z Washer (M6) 4 49 1420/0007Z Washer (M8) 16 50 331/27034 Step 2 51 331/34907 Bush 4 52 331/35947 Cover Agglomerator 1 53 823/00529 Washer 1 54 826/01487 Socket Screw M8 x 25mm 1
  8. Product Catalog \ AGRICULTURAL \ AGRICULTURE \ TELESCOPIC HANDLERS (LOADALL)

    \ 535-60 FS 01064599- 01185999,01232500-01232999 9802/7180 \ B BODYWORK, CAB, LOADER END \ B01 BODYWORK/FRAME 9802/7180 B1-8-12 BELLY PLATE 4 SPEED Item Part # Change No Description Usage Code QTY 1 160/13214 Rail LH Side W.A. 1 2 926/19700 Seal Profile 1 6 160/13215 Rail RH Side W.A. 1
  9. 7 335/04802 Plate WA Baseplate 1 8 335/04803 Plate WA

    Belly Plate Front 1 9 335/02756 Plate Belly W.A. Rear 1 10 1318/0405Z Setscrew M10 x 20mm 16 11 1318/0412Z Bolt setscrew M10x50 8 12 1420/0008Z Washer (M10) 24 14 2410/1313 Grommet Blind 2
  10. Product Catalog \ AGRICULTURAL \ AGRICULTURE \ TELESCOPIC HANDLERS (LOADALL)

    \ 535-60 FS 01064599- 01185999,01232500-01232999 9802/7180 \ B BODYWORK, CAB, LOADER END \ B01 BODYWORK/FRAME 9802/7180 B1-8-14 BELLY PLATE 4 SPEED & 5 SPEED
  11. Item Part # Change No Description Usage Code QTY 1

    335/07105 Rail Pod (LH) Side W.A. F/Func SN1065004 1 2 335/07106 Rail Cab (RH) Side W.A. 1 3 335/07107 Guard Front W.A. 1 3 335/07110 Guard Front W.A. To Suit R28 TYRES R28 Tyre Option 1 4 335/07108 Guard Centre W.A. 1 5 335/07109 Guard Rear W.A. 1 6 331/24143 Cover Belly Plate 1 7 826/01345 Rivet Pop 8 8 1414/0011Z Washer (2BA) 8 9 926/19715 Seal Edge 471mm 1 10 926/19716 Seal Edge 690mm 1 11 926/19717 Seal edge 70mm long 1 12 926/45404 Seal Edge 1480mm 1 13 1318/0412Z Bolt setscrew M10x50 8 14 1318/0405Z Setscrew M10 x 20mm 16 15 1420/0008Z Washer (M10) 24 16 2410/1313 Grommet Blind 2
  12. Product Catalog \ AGRICULTURAL \ AGRICULTURE \ TELESCOPIC HANDLERS (LOADALL)

    \ 535-60 FS 01064599- 01185999,01232500-01232999 9802/7180 \ B BODYWORK, CAB, LOADER END \ B01 BODYWORK/FRAME 9802/7180 B1-13-1 NOISE QUILTS ENGINE POD & CHASSIS Item Part # Change No Description Usage Code QTY 1 331/35904 Panel Noise Quilt Chassis Side - Front 1 3 331/34324 Panel Noise Quilt Pod Base - Front 1 4 331/34325 Panel noise Quilt Pod Base - Side 1
  13. Product Catalog \ AGRICULTURAL \ AGRICULTURE \ TELESCOPIC HANDLERS (LOADALL)

    \ 535-60 FS 01064599- 01185999,01232500-01232999 9802/7180 \ B BODYWORK, CAB, LOADER END \ B01 BODYWORK/FRAME 9802/7180 B1-120-1 REAR HITCH MIRROR
  14. Item Part # Change No Description Usage Code QTY 1

    123/04969 Arm Left Hand Mirror 1 2 331/63982 Mirror Exterior 1 2A :332/C5247 Superseded Mirror 1 2A :331/63982 Mirror Exterior 1 2B :332/C5246 Superseded Clamp Mirror 1 2B :331/63982 Mirror Exterior 1 3 1411/0001Z Washer (1/4" Medium) 2 4 1425/0006Z Washer Spring (M6) 2 5 1315/0205Z Setscrew M6 x 20mm 2
  15. Product Catalog \ AGRICULTURAL \ AGRICULTURE \ TELESCOPIC HANDLERS (LOADALL)

    \ 535-60 FS 01064599- 01185999,01232500-01232999 9802/7180 \ B BODYWORK, CAB, LOADER END \ B02 CAB 9802/7180 B2-1-1 CAB Item Part # Change No Description Usage Code QTY A 160/13609 Cab GA,ABI 1 1 :160/13660 Frame Cab Painted & Sealed 1 2 2410/1308 Grommet Blind 2
  16. 3 **** 'See Remark' SEE B2-3-1 Upper Door 1 4

    **** 'See Remark' See B2-3-2 Lower Door 1 5 821/10089 Clip 2 6 **** 'See Remark' Rops & Fops Plate 1 7 826/00115 Screw 4 8 826/11043 Nut rivet,M6 Hex open ended 21 9 826/11070 Fastener M8 Hex open ended Bollhoff 16 10 826/11071 Nut (M5) ROUND BOLLHOFF, KNURDLE 12 11 123/05740 Plug Blanking 30mm 6 16 142/01083 Hook coat 1 17 826/11021 Screw Button Head M6x20 1
  17. Product Catalog \ AGRICULTURAL \ AGRICULTURE \ TELESCOPIC HANDLERS (LOADALL)

    \ 535-60 FS 01064599- 01185999,01232500-01232999 9802/7180 \ B BODYWORK, CAB, LOADER END \ B02 CAB 9802/7180 B2-1-2 CAB Item Part # Change No Description Usage Code QTY A 160/15087 Cab GA ABI 1 A **** Cab Assembly standard F/Func M/c 1165267 1
  18. 1 :160/15086 Frame Cab Painted & Sealed 1 2 2410/1308

    Grommet Blind 2 3 **** 'See Remark' SEE B2-3-1 Upper Door 1 4 **** 'See Remark' See B2-3-2 Lower Door 1 5 821/10089 Clip 2 6 **** 'See Remark' Rops & Fops Plate 1 7 826/00115 Screw 4 8 826/11043 Nut rivet,M6 Hex open ended 21 9 826/11070 Fastener M8 Hex open ended Bollhoff 16 10 826/11071 Nut (M5) ROUND BOLLHOFF, KNURDLE 12 11 123/05740 Plug Blanking 30mm 6 16 142/01083 Hook coat 1 17 826/11021 Screw Button Head M6x20 1
  19. Product Catalog \ AGRICULTURAL \ AGRICULTURE \ TELESCOPIC HANDLERS (LOADALL)

    \ 535-60 FS 01064599- 01185999,01232500-01232999 9802/7180 \ B BODYWORK, CAB, LOADER END \ B02 CAB 9802/7180 B2-1-3 CANOPY Item Part # Change No Description Usage Code QTY A 160/13610 Canopy GA ABI 1 1 :160/13660 Frame Cab Painted & Sealed 1 2 :123/05740 Plug Blanking 30mm 8
  20. 3 :835/10091 Plug Blanking 9.5mm 8 4 827/80212 Glass RH

    Side Toughened Green 1 6 **** 'See Remark' Rops & Fops Plate 1 7 826/00115 Screw 4 8 926/15500 Spacer Block 1 9 926/08605 Strip Mounting 40mm x 10mm x 6mm 1 10 162/03654 Strip Mounting 20mm x 10mm x 6mm 1
  21. Product Catalog \ AGRICULTURAL \ AGRICULTURE \ TELESCOPIC HANDLERS (LOADALL)

    \ 535-60 FS 01064599- 01185999,01232500-01232999 9802/7180 \ B BODYWORK, CAB, LOADER END \ B02 CAB 9802/7180 B2-1-4 CANOPY Item Part # Change No Description Usage Code QTY A 160/15089 Canopy GA ABI 1 1 :160/15086 Frame Cab Painted & Sealed 1 2 :123/05740 Plug Blanking 30mm 8
  22. 3 :835/10091 Plug Blanking 9.5mm 8 4 827/80212 Glass RH

    Side Toughened Green 1 6 **** 'See Remark' Rops & Fops Plate 1 7 826/00115 Screw 4 8 926/15500 Spacer Block 1 9 926/08605 Strip Mounting 40mm x 10mm x 6mm 1 10 162/03654 Strip Mounting 20mm x 10mm x 6mm 1
  23. Product Catalog \ AGRICULTURAL \ AGRICULTURE \ TELESCOPIC HANDLERS (LOADALL)

    \ 535-60 FS 01064599- 01185999,01232500-01232999 9802/7180 \ B BODYWORK, CAB, LOADER END \ B02 CAB 9802/7180 B2-1-10 ROOF MOULDING YELLOW Item Part # Change No Description Usage Code QTY 1 331/30885 Roof Moulding (Yellow) 1 2 1420/0006Z Washer (M6) 6 3 1315/0201Z Setscrew M6 x 12mm 6
  24. Product Catalog \ AGRICULTURAL \ AGRICULTURE \ TELESCOPIC HANDLERS (LOADALL)

    \ 535-60 FS 01064599- 01185999,01232500-01232999 9802/7180 \ B BODYWORK, CAB, LOADER END \ B02 CAB 9802/7180 B2-1-11 ROOF MOULDING BLACK Item Part # Change No Description Usage Code QTY 1 331/30886 Roof Moulding (Black) 1 2 1420/0006Z Washer (M6) 6 3 1315/0201Z Setscrew M6 x 12mm 6
  25. Product Catalog \ AGRICULTURAL \ AGRICULTURE \ TELESCOPIC HANDLERS (LOADALL)

    \ 535-60 FS 01064599- 01185999,01232500-01232999 9802/7180 \ B BODYWORK, CAB, LOADER END \ B02 CAB 9802/7180 B2-2-1 GLAZING,STANDARD Item Part # Change No Description Usage Code QTY 1 827/80225 Glass Front Screen 1 2 827/80212 Glass RH Side Toughened Green 1 3 827/80226 Glass Roof 1
  26. 4 827/80224 Glass Rear SEE B2-2-5 1 5 827/80201 Glass

    Upper Door 1 6 827/80213 Glass LH Side Rear Green Tint 1 7 926/15500 Spacer Block 16 8 827/80200 Glass Lower Door (JCB insignia) 1 9 926/08605 Strip Mounting 40mm x 10mm x 6mm 4 10 162/03654 Strip Mounting 20mm x 10mm x 6mm 4
  27. Please write to us. Our email: [email protected] Please go to

    the homepage to get the full manual, or other brand PDF manuals. Home Site: aservicemanualpdf.com
  28. Thank you very much for your reading. Please Click Here.

    Then Get COMPLETE MANUAL. NO WAITING NOTE: If there is no response to click on the link above, please download the PDF document first and then click on it.
  29. Product Catalog \ AGRICULTURAL \ AGRICULTURE \ TELESCOPIC HANDLERS (LOADALL)

    \ 535-60 FS 01064599- 01185999,01232500-01232999 9802/7180 \ B BODYWORK, CAB, LOADER END \ B02 CAB 9802/7180 B2-2-3 GLAZING,STANDARD (HEATED) Item Part # Change No Description Usage Code QTY 1 827/80225 Glass Front Screen 1 2 827/80239 Glass Heated RH Side Glass 1 3 827/80226 Glass Roof 1
  30. 4 827/80240 Glass Heated Rear Screen SEE B2-2-5 1 5

    827/80201 Glass Upper Door 1 6 827/80213 Glass LH Side Rear Green Tint 1 7 926/15500 Spacer Block 16 8 827/80200 Glass Lower Door (JCB insignia) 1 9 926/08605 Strip Mounting 40mm x 10mm x 6mm 4 10 162/03654 Strip Mounting 20mm x 10mm x 6mm 4 12 721/11362 Harness Heated Screen 1 14 701/60000 Switch 12V 1 15 701/58878 Switch heated front window 1
  31. Product Catalog \ AGRICULTURAL \ AGRICULTURE \ TELESCOPIC HANDLERS (LOADALL)

    \ 535-60 FS 01064599- 01185999,01232500-01232999 9802/7180 \ B BODYWORK, CAB, LOADER END \ B02 CAB 9802/7180 B2-2-5 REAR,WINDOW,HINGED Item Part # Change No Description Usage Code QTY 1 827/80224 Glass Rear 1 2 926/47301 Seal Glazing 3.1m Parent Roll 926/4730 1 3 162/02708 Hinge Plastic 2
  32. https://www.aservicemanualpdf.com/ My Dear Friend! Thank you very much for visiting.

    Full manual if required, please enter the following URL into your browser. https://www.aservicemanualpdf.com/